Συχνές Ερωτήσεις
Υποστήριξη
Είσοδος στο B2B - Νέος λογαριασμός
Αρχική
Εταιρεία
Κατασκευαστές
Για εμας
Υποστήριξη
Συχνές Ερωτήσεις
Markets
Επικοινωνία
+30 210 8077012
ΠΡΟΙΟΝΤΑ
Σύστημα πέδησης
Δισκόφρενα
Καλώδια και εξαρτήματα δισκόφρενων
Δισκόφρενα φορτηγών - λεωφορείων
Δισκόφρενα μηχανημάτων
Δισκόπλακες
Δισκόπλακες φορτηγών - λεωφορείων
Εξαρτήματα δισκόπλακων
Δαγκάνες
Δαγκάνες Μηχανημάτων
Δαγκάνες φορτηγών - λεωφορείων
Κιτ επισκευής δαγκανών
Θερμουίτ
Θερμουίτ φορτηγών - λεωφορείων
Θερμουίτ μηχανημάτων
Παρελκόμενα σετ θερμουίτ
Πιρτσίνια
Όλες
Σιαγώνες
Σιαγώνες φορτηγών - λεωφορείων
Παρελκόμενα σιαγώνων
Τάμπουρα
Τάμπουρα φορτηγών - λεωφορείων
Τάμπουρα μηχανημάτων
Ρεγουλατόροι
Ρεγουλατόροι φορτηγών - λεωφορείων
Κιτ επισκευής ρεγουλατόρων
Υλικά τριβής
Είδη συμπλέκτου
Πλάκες θερμουίτ
Σύστημα αέρος
Α. Βαλβίδες παροχής αέρος - αποθήκευσης
Α1. Ρυθμιστές αέρος - κυβερνήτες
Α2. Ξηραντήρες - αντιψυκτικά
Α3. Βαλβίδες εξυδάτωσης - ασφάλειας
Β. Βαλβίδες προστασίας
Β1. Διανομείς αέρος εγκεφαλάκια
Β2. Μειωτικές βαλβίδες
Γ. Βαλβίδες συμβατικού συστήματος
Γ1. Ποδοβαλβίδες
Γ2. Βαλβίδες χειρόφρενου
Γ3. Ρελάϊ έκτακτης ανάγκης
Γ4. Ρελάϊ
Όλες
Δ. Βαλβίδες συμπλέκτη
Δ1. Σέρβο αμπραγιάζ
Ε. Βαλβίδες ηλεκτρονικού ελέγχου
Ε1. Βαλβίδες EBS
Ε2. Βαλβίδες ABS
ΣΤ. Βαλβίδες ελέγχου αναρτήσεως
ΣΤ1. Βαλβίδες ανάρτησης
ΣΤ2. Βαλβίδες ανάρτησης καμπίνας
ΣΤ4. Βαλβίδες ηλεκτρονικού ελέγχου ECAS
Ζ. Σύνδεσμοι
Ζ1. Χούφτες
Ζ2. Σπιράλ
Ζ3. Φίλτρα γραμμής
Ζ4. Σύνδεσμοι
Η. Βαλβίδες γενικής εφαρμογής
Η1. Σιγαστήρες
Η2. Φυσουνάκια κλαπέτου γκαζιού
Η3. Βαλβίδες ελέγχου κατεύθυνσης - μπουτόν κλαπέτου
Η4. Ηλεκτροβαλβίδες
Όλες
Κιτ επισκευής βαλβίδων
Κ.Ε. Βαλβίδων ABS
Κ.Ε. Βαλβίδων ανάρτησης
Κ.Ε. Βαλβίδων μειωτικών
Κ.Ε. Βαλβίδων ελέγχου κατέυθυνσης
Όλες
Φυσούνες
Φυσούνες φορτηγών - λεωφορείων
Διαφράγματα φυσούνων
Εξαρτήματα φυσούνων
Κομπρεσέρ
Κομπρεσέρ ανακατασκευής
Κομπρεσέρ καινούργη
Κιτ επισκευής κομπρεσέρ
Σύστημα ανάρτησης
Αερόφουσκες
Αερόφουσκες φορτηγών - λεωφορείων
Ναυτιλία
Υλικά τριβής
Θερμουίτ ρόλλοι πλεκτά
Θερμουίτ ρόλλοι χυτά
Παρελκόμενα θερμουίτ ρόλλων
Βίδες - παξιμάδια
Μηχανήματα
Πλωτοί γερανοί
Ανταλλακτικά πλωτών γερανών
Εξοπλισμός συνεργείων
Αερόθερμα
Αερόθερμα συνεργείων
Ανταλλακτικά αερόθερμων
Μηχανήματα συνεργείων
Καρφωτικά
Καρφωτικά μηχανήματα
Μηχανήματα επεξεργασίας φρένων
Ανταλλακτικά μηχανημάτων συνεργείων
Γρύλλοι
Γρύλλοι
Τρίποδα
Τρίποδα
Λιπαντικά
Γράσα
Γράσα
Λιπαντικά
Βιομηχανικά
Επαγγελματικά λιπαντικά
Λιπαντικά μηχανημάτων
DON
Προϊόντα
Σύστημα πέδησης
Δισκόπλακες
Δισκόπλακες φορτηγών - λεωφορείων
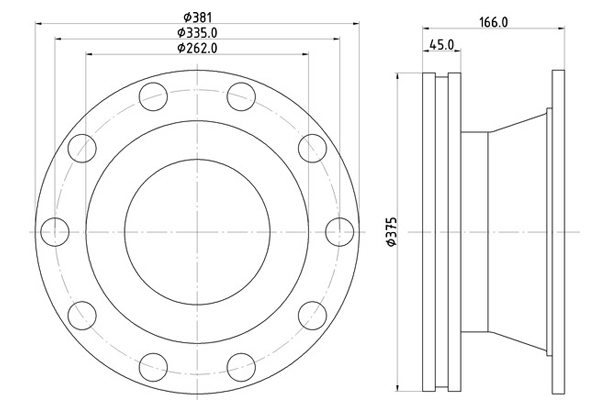
ΔΙΣΚΟΠΛAKA RENAULT
CVD 605
ΔΙΣΚΟΠΛAKA RENAULT
Δισκόπλακες φορτηγών - λεωφορείων
Κατασκευαστής:
DON
Κωδικός τιμολόγησης:
CVD 605
Κοινός κωδικός:
5010525364
Εναλλακτικοί κωδικοί:
98200 1925 , 5028740347716, 5010525364
Κωδικός είδους προμηθευτή:
CVD 605
Χαρακτηριστικά
ΔΙΣΚΟΠΛAKA RENAULT
Διάμετρος
375
Διάμετρος οφαλού
262
Ύψος
166
Αριθμός τρυπών ανά τεμάχιο
10
Απόσταση τρύπα-τρύπα
335
Θέση
ΟΠΙΣΘΙΑ
Πάχος
45
Τύπος
ΑΕΡΙΖΟΜΕΝΗ
Όχημα
Midlum, 01/00 -